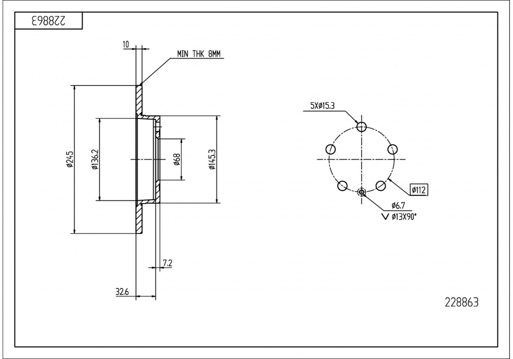
24.0310-0261.1 TARCZA HAMULC. AUDI A4 00-08 TYŁ (!) (245x10mm) Seat Exeo 08- tył

Wrocław0

DF4186 TARCZA HAMULCOWA TYLNA AUDI A4/TRW (245x10mm) AUDI A4 Avant (8E5, B6) 09/01-12/04 A4 (8E2, B6) 11/00-12/04

Wrocław0

895615601A Tarcza hamulcowa

Wrocław0

8E0615601B Tarcza hamulcowa

Wrocław0

8E0615601P TARCZA HAMULCOWA

Wrocław0
